催しにあわせて使い方を選択
ひな壇は3段まで設定可能。ひな壇としてもフラットなステージとしても使えます。
・操作中は、安全の為ステージから手を離さないで下さい。
動画紹介
簡単に展開・収納できる様子をご覧いただけます。
特徴
安全設計
特殊バネの弾性を利用していますので、操作時に急激な荷重がかかることはありません。また収納状態での安全の為、ロック機構を備えています。
簡単操作
省力起倒機構内蔵で、2~4名で簡単に操作が出来ます。
女性だけでも安全、簡単に操作できます。
目的に合わせて
使い方を選択
集合写真や合唱のときにはひな壇に、発表会のときにはフラットなステージにと、催しに合わせた使い方が選べます。
外観
床材・框は、設置場所の内装意匠に合わせて様々な材質で対応できます。またステージを収納したときのステージ裏面を内装意匠と同じ仕様にすることができます。
※一部対応できないサイズもございます。詳しくはお問い合わせください。
※床材の長尺シート仕様は、剥離の恐れがあるため不適切です。
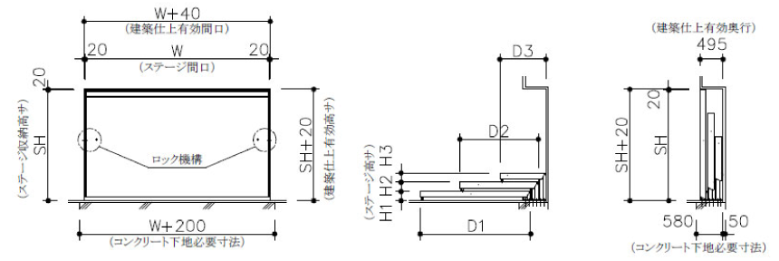
製品参考図
SH=D1+H1-200
ステージサイズ
※サイズ・台数は建築計画にあわせて自由に設定できます。
| 間口 W | 2,500~7,000 | ||
|---|---|---|---|
| 奥行 D | D1 > D2 | D1 | 1,800~2,700 |
| D2 | 1,000~2,400 | ||
| 一段あたりの高さ H | H1+H2=600mm以下 の組み合わせ |
H1 | 200・300・400 |
| H2 | |||
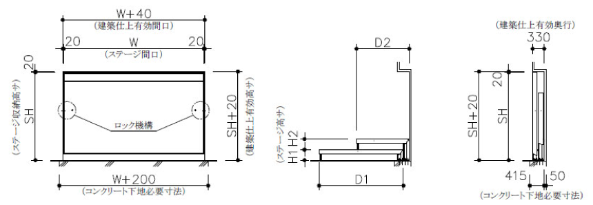
製品参考図
SH=D1+H1-200
ステージサイズ
※サイズ・台数は建築計画にあわせて自由に設定できます。
| 間口 W | 2,500~7,000 | ||
|---|---|---|---|
| 奥行 D | D1 > D2 > D3 | D1 | 1,800~2,700 |
| D2 | 1,500~2,400 | ||
| D3 | 1,000~2,000 | ||
| 一段あたりの高さ H | H1・H2・H3 | 200 | |
標準仕様
| 床材 | t12ナラフローリング |
|---|---|
| 框 | ナラ集成材 |
| ステージ裏面 | t12下地合板+クロス貼り仕上げ、またはt9下地合板+t3化粧合板貼り仕上げ(いずれも仕上材は別途工事) 仕上材厚さt9mmまで対応可能 |
※床材・框・幕板は、設置場所の内装意匠に合わせて様々な材質で対応できます。
※収納部にはコンクリート下地が必要です。
